銷售①:13508662630 銷售②:13507271573
公司地址:襄陽市樊城區春園西路賈洼工業園 郵箱:xfycdq@163.com
5.1系統效率預測 光伏陣列在能量轉換與傳輸過程中的損失包括組件匹配損失、組件質量誤差損失、表面塵埃遮擋損失、不可利用的太陽輻射損失、溫度的影響、最大功率點跟蹤......
發布時間:2017-05-13
光伏發電系統的雷電入侵路徑,除光伏組件外,還有配電線路、接地線以及它們的組合。為了保證電力系統的安全運行和光伏發電及電力設施的安全,并網光伏電站必須有良好的避雷......
發布時間:2017-05-13
1.電纜載流量計算參考《GB50217-2007:電力工程電纜設計規范》敷設在空氣中的電纜載流量按:KIXUIJS選擇。IJS計算工作電流,單位A;IXU電纜在......
發布時間:2017-05-13
并網接入柜安裝在光伏發電的并網點,主要由主斷路器、分斷路器、電流互感器、測控表計、關口計量等設備組成。u故障隔離功能,短路瞬時、長延時保護功能和欠壓脫扣功能u光......
發布時間:2017-05-13
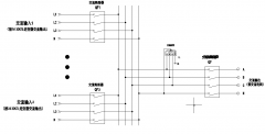
交流匯流箱選用交匯流箱,IP65,戶外使用。光伏交流防雷匯流箱的作用是對逆變器的輸出進行匯流,匯流箱應具有以下功能:1.滿足室外安裝的使用要求,防水、防銹、防曬......
發布時間:2017-05-13



(不想等待可點擊按鈕通過QQ進行溝通,或直接電聯。)
關閉