公司地址:襄陽市樊城區春園西路賈洼工業園 郵箱:xfycdq@163.com
常見電動機啟動方式有以下幾種:
1.全壓直接啟動;
2.自耦減壓起動;
3.Y-Δ起動;
4.軟起動器;
5.變頻器啟動。
目前軟啟動器和變頻器啟動為市場發展的潮流。當然也不是必須要使用軟啟動器和變頻器啟動,以成本和適用性為主要參考,下面簡要介紹各種啟動方式的特點。
01
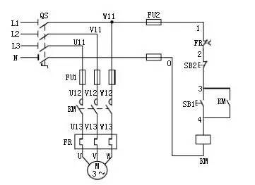
全壓直接啟動

在電網容量和負載兩方面都允許全壓直接起動的情況下,可以考慮采用全壓直接起動。主要用于小功率電動機的起動,從節約電能的角度考慮,大于11kw的電動機不宜用此方法。
直接啟動的優點是所需設備少,啟動方式簡單,成本低。電動機直接啟動的電流是正常運行的5倍左右,經常啟動的電動機,提供電源的線路或變壓器容量應大于電動機容量的5倍以上
不經常啟動的電動機,向電動機提供電源的線路或變壓器容量應大于電動機容量的3倍以上。這一要求對于小容量的電動機容易實現,所以小容量的電動機絕大部分都是直接啟動的,不需要降壓啟動。對于大容量的電動機來說,一方面是提供電源的線路和變壓器容量很難滿足電動機直接啟動的條件,另一方面強大的啟動電流沖擊電網和電動機,影響電動機的使用壽命,對電網穩定運行不利,所以大容量的電動機和不能直接啟動的電動機都要采用降壓啟動。




(不想等待可點擊按鈕通過QQ進行溝通,或直接電聯。)
關閉